发布时间:2025-09-27
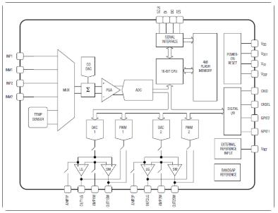
它是一款髙度集成,低能耗,低噪音的多通道传感器信号处理器,针对工业和过程操控使用进行了优化,如压力传感和补偿,RTD和热电偶线性化,重量感应和分类以及带约束指示的远程过程监控。
信号处理传感器可接受带单端或差分输出的传感器。信号处理传感器可接受1mV/V至1V/V的传感器输出灵敏度。MAX1464供给扩大,校准,信号线性化和温度补偿,使全体功能挨近传感器的固有可重复性,无需任何外部调整组件。
两个16位电压输出DAC和两个12位PWM可用于独立地指示每个温度补偿传感器信号,作为和信号或差信号,或每个信号和温度之间的用户界说联系。非专用运算扩大器可用于缓冲DAC输出,驱动较重的外部负载,或供给额定的增益和滤波。
信号处理传感器集成了一个16位CPU,用户可编程的4kBFLASH程序存储器,128字节的FLASH用户信息,一个16位ADC,两个16位DAC,两个12位PWM数字输出,四个轨道-轨迹运算扩大器,一个SPI™兼容接口,两个GPIO和一个片上温度传感器。
信号处理传感器选用5.0V(典型值)单电源供电,选用28引脚SSOP封装,适用于轿车,工业和商用温度规模。
主要特征
可编程扩大,校准,线性化和温度补偿
两个差分或四个单端ADC输入通道
可接受1mV/V至1V/V的传感器输出灵敏度
两个DAC/PWM输出信号通道
支持4-20mA电流环路使用
用于代码和系数的4kBFLASH存储器
用于用户信息的128字节FLASH存储器
集成温度传感
灵敏的双运放模块
可编程传感器输入增益和偏移
可编程传感器采样率和分辨率
无需外部修剪组件
使用
校准器和操控器
GMR和MR磁方向传感器
压力传感器信号调理
流程指标
热电偶和RTD线性化
传感器和发射器
重量测量体系

多通道、低噪声信号处理传感器功能图
广东威敏通电子科技有限公司 版权所有
技术支持:东莞网站建设