用于制造设备的模拟输出AMR传感器

发布时间:2025-09-27


AMR传感器是利用磁阻元件的磁传感器。例如,通过在电动机的旋转轴上装置磁体,传感器能够通过接近磁体来检测旋转或位置改变。

用于制作设备的旋转编码器要求紧凑的尺寸和低功耗。为了满意这一要求,村田制作所选用高阻抗AMR元件开发了模拟输出型MRES系列,然后扩展了AMR传感器阵型,其中还包含内置IC(磁性开关)的数字输出型​


规格

项目

条件

电源电压

5.0V

 

抵抗性

550kΩ典型

在Vcc-Gnd之间

中点潜力

2500mV典型

 

磁场使用中

的动摇

最小25mV

B = 8MT


外部尺寸



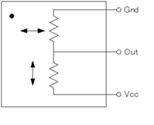
磁场施加方向和等效电路



输出示例



使用实例


上一篇:NTC温度传感器 ERC控制器 下一篇:高分辨率、高精准的数字低压传感器

广东威敏通电子科技有限公司 版权所有
技术支持:东莞网站建设