发布时间:2025-09-27
随着温度的升高,它们的电阻会根据所用的陶瓷材料忽然跳动。
PTC热敏电阻极限温度传感器具有非线性特性:在低温(如环境和温度)下,它们的电阻很低。该阈值也称为参考温度或极限温度。
图1显示了PTC热敏电阻的典型特性

图1:PTC热敏电阻特性温度与电阻曲线
在常温下,PTC传感器具有低电阻,典型值小于1k欧姆。但是,随着温度升高,其阻力开始增加。当到达规定的极限温度TSense时,其电阻相对于温度上升跳动。这种电阻的忽然增加使PTC热敏电阻成为极限温度传感器的理想选择,使它们可以及时检测出灵敏电子元件的临界温度。为此,它们应尽或者接近它们要保护的部件装置。这确保了良好的热接触以及快速的响应时间。
如图2所示,PTC传感器一般与固定电阻一同插入分压电路。这导致温度相关的输出电压Vout,其根据PTC传感器的特性忽然改动而且直接操控比如开关晶体管或比较器的部件。这反过来触发相应的功能,以防止过热和随之而来的损坏。通过这种方法,可以十分经济有效地接通鼓风机或者切断负载和系统部件。
图2:PTC热敏电阻检测过温的电路
这种简单的电路可用于经济高效地可靠地监控单个热点。
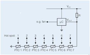
PTC热敏电阻在几个热点测量温度
PTC传感器的电阻随温度的急剧改变,可以通过靠简单的电路监控多个热点。例如,假如必须在电路板或设备项目上一起监控七个不同的点,则图3中所示的电路是清楚明了的选择。每个要监控的点都有一个PTC。因为其陡峭的特性,一切PTC都可以串联连接,一起确保可靠地监控每个热点。
虽然选用串联电路,但每个热点都可以可靠地测量过温。该电路拓扑结构可实现经济高效,节约空间且可靠的温度管理。
该电路可用于比如电源,UPS,变频器,服务器,光操控器和汽车电子系统之类的系统。一般,功率损耗或者会引起过温产生的热点是功率半导体,如MOSFET或IGBT,但它们也可能是电感器,变压器,电容器和电动机等。
广东威敏通电子科技有限公司 版权所有
技术支持:东莞网站建设